| 担当授業科目(my Subjects) |
|---|
| 学年(grade) | 担当科目名(subject name) |
|---|---|
| 3年生 | 計算機工学1,2 |
| 4年生 |
創造設計プロジェクト(ミニロボコン) ■2008年度の記録■New!! |
| 5年生 |
電子回路3 CAD演習3 卒業研究 |
| 専攻科1 |
特別実験 ディジタル信号処理 |
| 専攻科2 | 特別演習、特別研究 |
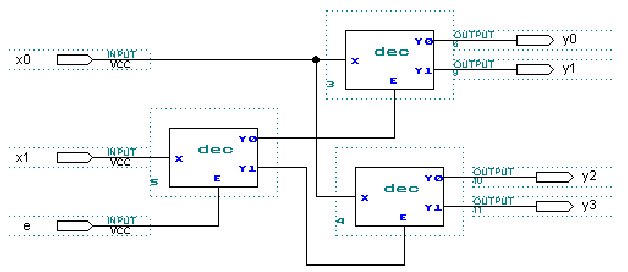
5Sの電子回路3の授業用プリントの最初の部分を公開します
(下の回路図をクリックしてくださいPDFファイル約450kBです)。
このプリントだけで、ディジタル回路をEDA(電子回路設計自動化)ツール
で描画、コンパイル、シミュレーションできるようになります!!
そして、FPGA評価ボードを容易しさえすれば実際に動作するシステムを
製作することも出来ます!!
本授業で使用しているEDAツールは
米国Altera社が提供している同社FPGA用統合環境MAX+PLUS2のフリー版です。
近い将来に、Altera社の最新統合環境であるQuartusIIに切り替える予定です。
